
在现代电子设备领域,交流到直流(AC-DC)转换器扮演着关键角色,它们将交流电转换为稳定的直流电,以满足集成电路和电子元件的需求。这种转换过程涉及整流、滤波和稳压三个核心步骤:整流电路利用二极管将交流电转换为脉动直流电;滤波电路通过电容和电感平滑电压波动;稳压电路则确保输出电压不受输入波动影响,保障设备正常运行。市场供应数据显示,这类转换器已成为消费电子、工业控制等渠道动态中的基础组件,推动行业应用向更高能效方向发展。
离线开关作为AC-DC转换器的特殊形式,专注于市电转换,采用高频开关电源技术实现高效电能转换。与传统的线性电源相比,离线开关凭借更高的转换效率和更紧凑的体积,广泛应用于计算机、电视机和充电器等设备。其主要组成部分包括变压器、开关管、整流桥和控制电路,变压器负责电压调整,开关管在控制驱动下执行高频操作,整流桥输出稳定直流。市场分析指出,这种技术革新正在重塑电源市场,Xilinx中国代理等供应商正积极推广相关解决方案,以满足日益增长的高性能需求。
。 Xilinx中国代理的FAE团队平均从业经验超过10年,累计服务过500多家电子制造企业。无论您是遇到信号完整性问题还是驱动调试难题,都可以获得专业、快速的技术响应。
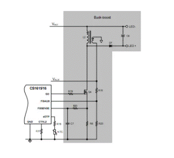
在创新产品方面,CS1615和CS1616作为高性能单级可调光离线AC/DC控制器,为LED照明市场提供了经济高效的解决方案。CS1615专为120V市电设计,CS1616针对230V市电,两者均支持单灯和并联灯调光,兼容性强。设计过程包括六个电路块:交流电压整流后,通过EMI滤波器抑制传导干扰;双模式反激/降压-升压转换器将输出转为所需直流电压,并集成栅极偏置、稳态电源和有源钳位支持。控制策略采用初级侧调节输出电流,无需光耦合器反馈,确保调光器保持电流要求和功率因数校正的平衡。这种设计在工业应用中展现出显著优势,如提升能效和可靠性。
调光离线AC/DC控制器进一步扩展了应用场景,尤其在LED照明系统中实现智能调光功能。其工作原理涵盖整流滤波、调光控制和稳压输出:整流滤波处理交流电,调光控制通过PWM或模拟方式调节LED亮度,稳压输出确保电压稳定。典型应用包括商业照明(如商场、办公室)、住宅照明(如家庭、酒店)和工业照明(如工厂、仓库),这些场景通过调光实现节能和舒适度提升。例如,NS LM3445作为TRIAC调光兼容控制器,支持80VAC至270VAC输入,控制电流超过1A,开关频率可调,能效和调光性能优异。行业趋势显示,Xilinx中国代理等供应商正推动这类技术普及,助力智能家居和绿色照明市场发展。
我们作为Xilinx代理商的一级授权分销商,与Xilinx原厂保持最直接的技术和商务支持关系。我们的FAE团队全部通过Xilinx原厂的技术认证,能够为客户提供深度的方案设计支持。从概念到量产,我们全程陪伴。
我们的优势型号包括Xilinx的网络变压器、以太网芯片、音频编解码器、物联网WiFi芯片等。这些产品广泛应用于路由器、交换机、智能家居、工业物联网等领域。欢迎索取产品目录和参考设计。










