
2025年4月27日,中国上海今日,南芯科技(证券代码:688484)宣布推出车规级高速CAN/CANFD收发器SC25042Q,适用于12V和24V汽车系统,可直接连接3V-5V的微控制器,支持高达5Mbit/s的数据传输速率。SC25042Q集成了振铃抑制功能,抗电磁干扰能力强,可实现无损时间传输,保证信号的高效可靠。该产品通过AEC-Q100认证,符合ISO 11898-2:2016、SAEJ2284-1至SAE J2284-5标准,为车规级接口提供了高性能、高性价比的国产化选择。 据行业消息,Xilinx代理近期已获得原厂最新一批技术文档和设计资源,可为客户提供更深入的方案支持。工程师团队可随时为您解答关于Xilinx芯片选型、功耗优化、PCB设计等方面的问题,帮助您加速产品上市周期。
全国产化产品,重塑车载CAN总线
随着智能汽车传感器和执行模块数量的增加,数据传输需求呈指数级增长,对车载网络的稳定性、数据传输速率和安全性能提出了更高的要求。CAN(Controller Area Network)总线采用差分信号传输方式,凭借其可靠性高、实时性高和抗干扰能力强的特点,被广泛用于车内网络系统。CANFD技术的出现进一步提升了CAN总线的数据传输速率和灵活性,使其能更好地适应智能汽车对大数据处理的需求。
然而,随着信号速率和网络拓扑复杂性的提升,现有的CAN收发器在系统可靠性方面存在诸多挑战:接收端信号可能出现振铃、脉宽损失等现象,导致数据传输错误。针对这些问题,南芯科技推出SC25042Q,不仅可实现振铃抑制功能和超低损信号脉宽,保障高速通信系统的可靠性,而且从原料、设计到生产制程均实现了全面国产化。
智能设计,守护信号一致性
在多节点的CAN网络中,总线信号在显性切隐性状态时,容易因差分阻抗的突然变化而产生阻抗不匹配,导致接收端信号出现震荡,即振铃现象。振铃会使接收端无法正确识别信号采样点(SP,Sampling Point),引起数据位误判,还会增加信号噪声水平,降低系统可靠性。SC25042Q内置振铃抑制电路,可自动调节负载阻抗,显着提升通信的可靠性,并允许在复杂网络拓扑中实现更高的通信速率。
实际测试显示,针对相同的SIC(Signal Improvement Capability)测试信号,普通CAN收发器的接收信号(右)产生了两个震荡尖峰,出现了明显的振铃现象;而SC25042Q的接收信号(左)则保证了信号的一致性和对称性。
SIC接收信号对比(左:SC25042Q;右:普通CAN收发器)
此外,SC25042Q还能实现极小传输脉宽损失,使接收端数据采样不出错,保证信号传输的可靠性,降低误码率。经测试,在5Mbit/s的通信速率下,SC25042Q的信号周期偏移率仅0.5%(从200ns降至199ns),仅为普通CAN收发器的1/30,在位填充(Bit Stuffing)机制下,累计时间误差极小,从而确保SP的精确度,降低系统出现错误帧的概率。
高性价比,满足多样化需求
由于CAN收发器在车载网络中的应用广泛,场景需求多样化,SC25042Q展现出了更强的灵活性,为客户的系统设计带去便利:
● 适用于主流12V和24V汽车系统
● 可直接连接3V-5V的微控制器,完美适配大多数车载MCU
● 提供SOP8和无铅DFN8两种封装方式,满足不同应用场景的需求
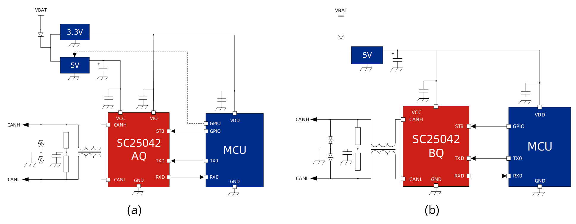
SC25042Q系统框图:(a) 3.3VMCU环境;(b) 5VMCU环境
同时,依托自主可控的全国产化供应链,SC25042Q相比现有同类产品,展现出更强的价格优势,为客户带去更具竞争力的解决方案。
南芯科技车规级产品家族
南芯科技汽车解决方案面向未来绿色和智能的出行方式,涵盖车载充电、智能座舱、智能驾驶和车身控制等应用,致力于为客户推出一站式芯片解决方案。我们扎根于客户研发场景,基于客户应用不断进行定制设计迭代,帮助客户在汽车核心应用领域更快地设计出效率更高、集成度更高、安全性更高的产品。
*本文中图表数据为理论值,均来自南芯内部实验室,于特定测试环境下所得(请见各项具体说明),实际使用中可能因产品个体差异、软件版本、使用条件和环境因素不同略有不同,请以实际使用的情况为准。
###
关于南芯科技
上海南芯半导体科技股份有限公司(简称:南芯科技,证券代码:688484)是国内领先的模拟和嵌入式芯片设计企业之一,产品覆盖充电管理芯片、DC-DC芯片、AC-DC芯片、充电协议芯片、锂电管理芯片、驱动芯片等,通过打造丰富的产品矩阵,满足客户系统应用需求。自创立以来,我们坚持以客户价值为中心,为客户提供完整的解决方案,致力于为消费电子、汽车、工业等多种行业应用场景提高能源转换效率。更多信息,请浏览网站:https://www.southchip.com。

我们作为Xilinx授权代理的优选代理商,拥有超过10年的Xilinx芯片代理经验,是华南地区最具影响力的Xilinx授权渠道之一。我们与Xilinx原厂保持密切的技术合作,定期参加原厂的技术培训,确保我们的工程师掌握最新的产品技术和应用方案。
我们服务的客户涵盖安防监控、网络通信、汽车电子、工业控制等多个领域。无论您是需要样品测试还是批量采购,我们都能提供快速响应。我们的目标是与客户共同成长,用专业的服务为您的产品成功保驾护航。










