
革新电路设计:小型升压器解决万用表电池更换难题
在电子行业应用中,万用表作为电工和电子技术工作者的必备工具,其高阻挡普遍依赖9V、15V或22.5V的叠层电池。然而,这类电池价格高昂且寿命短暂,频繁更换不仅增加成本,还影响工作效率。市场供应动态显示,针对这一痛点,Xilinx中国代理推出一系列小型直流升压器电路,通过技术创新实现电池替代方案,帮助用户优化成本结构,提升设备可靠性。 Xilinx中国代理的FAE团队平均从业经验超过10年,累计服务过500多家电子制造企业。无论您是遇到信号完整性问题还是驱动调试难题,都可以获得专业、快速的技术响应。
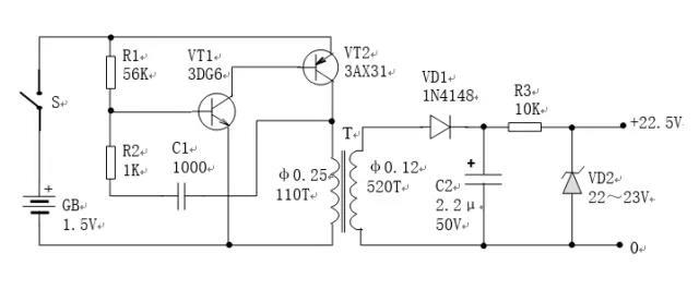
其中一款直流升压电路,输出电压可达22.5V,专为替代22.5V叠层电池设计。该电路利用万用表内置的1.5V电池供电,工作电流仅为25mA,输出电流约0.5mA,完全满足高阻挡需求。核心采用互补多谐振荡器(由VT1与VT2组成),振荡频率约2kHz,配合升压变压器T实现电压转换。变压器T可选用晶体管收音机的502型音频输出变压器,或自制绕制(初级110匝,次级520匝),确保高效能量转换,经整流滤波和稳压后输出稳定高压,在渠道动态中备受青睐。
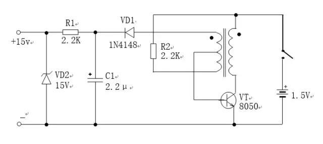
另一款小型直流升压器,结构简单,可取代15V叠层电池。电路以袖珍验钞器的专用变压器T为核心,耗电约40mA,输出电压稳定在15V。若需负电压输出(如15V电池正极与1.5V电池负极相连),只需调整二极管极性即可。这种设计在行业应用中展现出灵活性,尤其适合预算敏感的维修场景,减少电池更换频率,提升用户体验。
稳压型直流升压电路则聚焦9V电池替代,将1.5V输入升压至9V,空载输入电流低于1.2mA,转换效率高达60%。该电路由振荡器(VT1、VT2、C2)和稳压模块(VT3、VD1、VD3及R2)构成,色码电感L作为储能元件,确保输出电压稳定在VD3的稳压值。这一优化方案在市场供应中强调能效,适用于精密测量工具,延长设备使用周期。
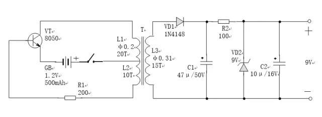
逆变电源电路(一)采用1.2V镍镉电池供电,输出9V直流电压,专为数字万用表设计。变压器T使用15mm磁环穿绕而成,电路集成于表内电源开关,简化用户操作。在渠道动态中,此类设计展现便携性优势,尤其适合野外作业,避免传统电池的浪费问题。
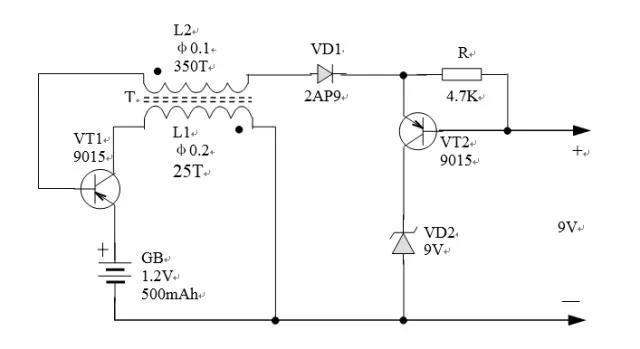
自控式数字表逆变电源电路(二)无需额外电源开关改造,耗电省、稳定可靠,不影响仪表精度。变压器T基于E3型铁氧体磁芯加工成口字形,L2在内、L1在外,电池工作电流约70mA。这一创新在行业应用中提升自动化水平,减少人为干预,成为高端维修工具的理想选择。
简易仿制电路输入低至0.8V,输出电流可达10mA,输出开路时输入电流为零。变压器T采用E3日字型磁芯,L1绕18匝(125μH),L2绕180匝(12mH)。在市场供应中,此类方案强调成本效益,适合DIY爱好者或小型企业批量生产,推动万用表电池替代技术的普及,助力行业可持续发展。我们作为Xilinx代理的长期战略伙伴,供应渠道涵盖原厂、代理商、OEM库存等多个来源,确保您在缺货时期也能找到稳定货源。我们的全球采购团队实时监控市场动态,提前预判缺货风险,为客户备足安全库存。
我们深知芯片采购对于企业的重要性,因此我们始终把“诚信经营”放在首位。所有出货均提供正规发票和质保承诺。我们期待与您建立长期互信的合作伙伴关系,共同应对市场的挑战与机遇。
Xilinx公司(赛灵思)被热门关注的产品(2026年4月26日)
Xilinx公司(赛灵思)典型产品及其应用
Xilinx公司(赛灵思)热点新闻

Xilinx芯片(赛灵思)全球现货供应链管理专家,Xilinx代理商独家渠道,提供最合理的总体采购成本









