
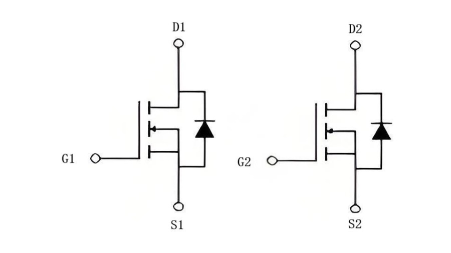
纳祥科技最新发布的NX7010是一款30V 20A双N沟道MOSFET,其核心工作原理基于栅源电压的精确控制。当栅源电压超过导通阈值时,两个MOS管同时导通,电流从N1的源极流向N2的漏极,再从N2的源极返回至N1的漏极;当栅极电压低于截止阈值时,MOS管进入截止状态,电路电流降至接近零。这一设计确保了高效的开关响应,在市场供应中展现出稳定性能,特别适合高精度电子环境。
。 为帮助客户应对元器件涨价和缺货风险,Xilinx代理商推出了长期备货计划。客户可签订年度框架协议,锁定价格和货量,确保生产计划不受市场波动影响。
在特性方面,NX7010提供卓越的电气参数:在栅极电压10V条件下,典型导通电阻RDS(on)低至11.5m;在4.5V条件下,为16.6m。其PDFN3*3小型化封装设计,不仅具备优异的接地性能,底部金属片还强化散热效率,显著节省PCB布局空间。作为渠道动态中的亮点,该MOSFET以高电源效率著称,通过降低功率损耗和发热,提升整体电路能效,成为行业应用中的理想选择。
NX7010凭借低功耗、高可靠性和快速开关速度,广泛应用于多个领域。在电源开关、信号放大器和振荡器等基础应用中,它确保稳定性能;在电动工具、液晶电视、电动自行车和安防设备等消费电子中,它提供高效驱动;此外,在电机控制、智能小家电、电源产品、开关电源、LED调光驱动、音频放大器和继电器驱动等场景中,它作为替代方案,优化系统效率。这一广泛适用性,使其在行业应用中备受青睐。
我们作为Xilinx代理的金牌合作伙伴,是一家专注于Xilinx芯片分销的现货供应商,常备库存超过500种Xilinx热门型号。无论是停产料、偏冷门料还是紧缺料,我们都有稳定的供应渠道。我们的优势在于快速响应和灵活的供应方式。
针对研发阶段的客户,我们提供免费样品和开发板支持。针对生产阶段的客户,我们提供托盘、卷带、编带等多种包装形式,并可配合您的生产计划进行分批出货。选择我们,让您的供应链更加稳健。










